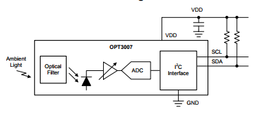
El sensor OPT3007 es un sensor de luz ambiental que tiene una curva espectral de respuesta similar al ojo humano, por lo que se recomienda para aplicaciones en las que esta característica sea importante. El OPT3007 de Texas Instruments tiene su datasheet dado en el enlace: http://www.ti.com/lit/ds/symlink/opt3007.pdf . Las aplicaciones para este sensor incluyen el control de iluminación ambiental, cámaras, visibles, etc. En la figura tenemos un circuito típico de aplicación.




