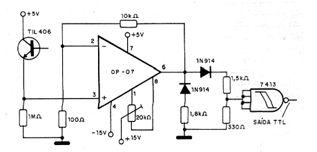
Este circuito permite acoplar señales ópticas a una entrada TTL con excelente rendimiento. Entre las posibles aplicaciones sugerimos la utilización en enlaces con fibras ópticas. La foto transistor es Texas, que sugiere la aplicación, pero equivalentes se pueden experimentar. El funcionamiento se alimenta con dos tensiones (5 V simples y 15 V simétricos).




