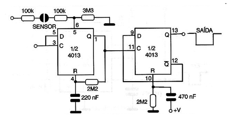
Uno de los circuitos de aplicaciones que dimos con el 4013 en este banco de circuitos fue una clave biestable en la que el 555 se utilizaba como monoestable en el accionamiento de un 4013. Pues bien, si vamos a utilizar sólo un flip-flop en el accionamiento de un relé, puede perfectamente ser utilizado como monoestable, como muestra la configuración de la figura que funciona como una excelente llave de toque. En esta llave, cada toque en el sensor, el relé cambia de estado, conmutando así una carga externa.




