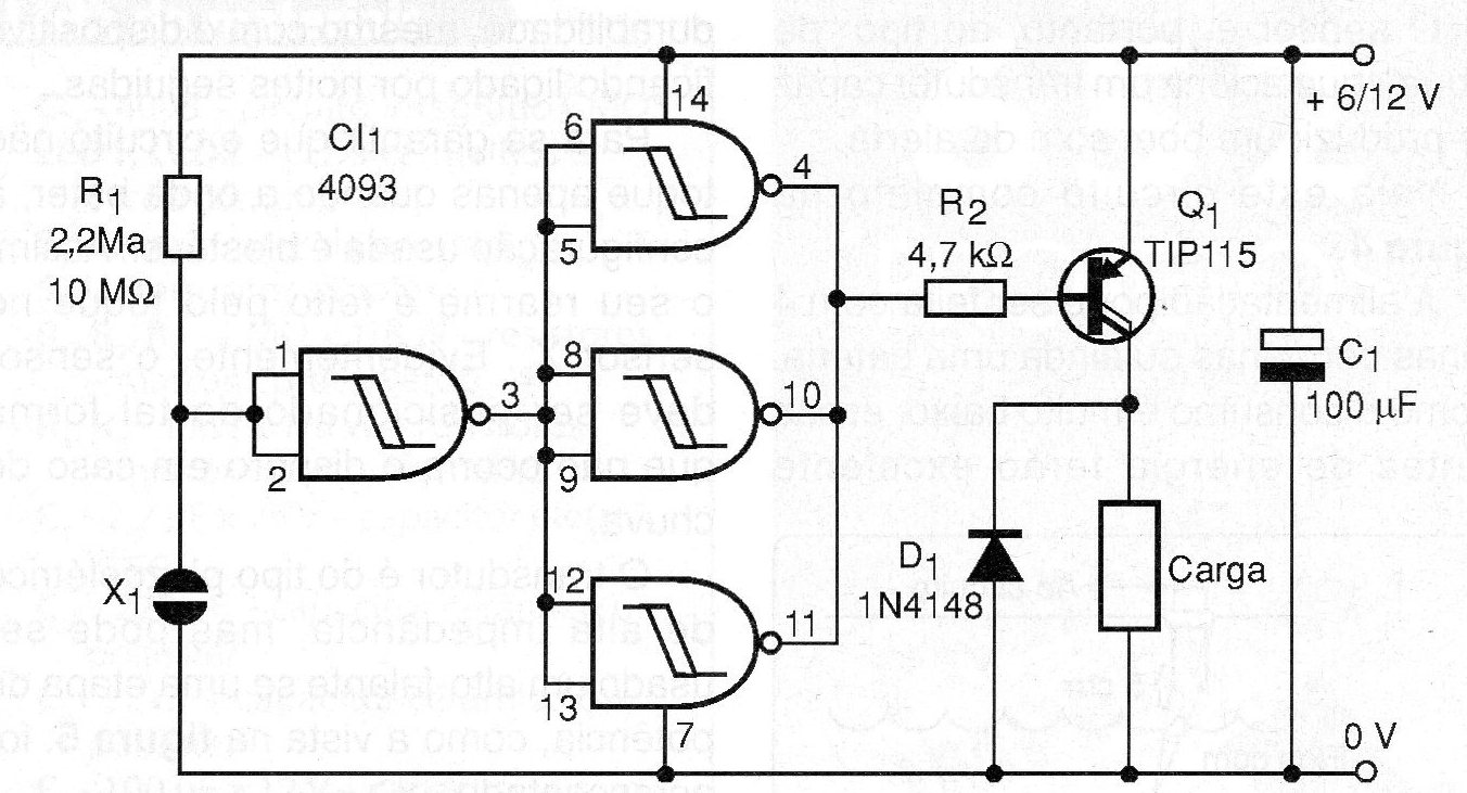
En la figura mostramos nuestro primer circuito que consiste en una llave de toque simple capaz de accionar un relé u otras cargas con corrientes hasta 1 A, para el caso del transistor usado. Los transistores equivalentes de mayor corriente se pueden utilizar para obtener el control de cargas mayores. Cuando el sensor es tocado, la salida de la primera puerta va al nivel alto y con ello las puertas siguientes, conectadas en paralelo, recibiendo esa señal, tienen su salida yendo al nivel bajo. El nivel bajo se aplica a la base del transistor que luego satura el suministro de la carga. Observe que el circuito permanece activado sólo durante el tiempo en que se toca el sensor. Al retirar los dedos del sensor, la carga se desactiva inmediatamente. El circuito puede funcionar con tensiones de 5 a 12 V, dependiendo sólo de la carga a ser alimentada. El resistor R1 determina la sensibilidad al tacto. Para el sensor utilice dos planchas de metal alejadas de 1 mm de modo que se puedan tocar simultáneamente y no utilice cables más largos que 1 m para su conexión al circuito. El transistor debe montarse en un radiador de calor si la corriente de carga es superior a 200 mA.
IC-1 - 4093 - circuito integrado CMOS
Q1 - TIP115 - Transistores Darlington PNP
D1 - 1N4148 - diodo de uso general
R1 - 4,7 M a 10 M x 1/8 W - resistencia
R2 - 4,7 k ohms x 1/8 W - resistor - amarillo, violeta, rojo
C1 - 100 uF x 16 V - capacitor electrolítico
X1 - Sensor - ver texto
Varios:
Placa de circuito impreso, hilos, soldadura, etc.




