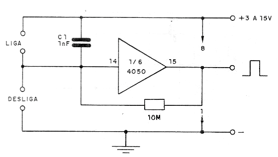
Los sensores de este circuito pueden ser dos placas de metal separadas pero que deben ser tocadas simultáneamente. La resistencia de la piel es suficiente para hacer el accionamiento del circuito. La salida puede aplicarse a la entrada de un microcontrolador o aplicada a un paso transistorizado o de otro tipo para accionar una carga de potencia. La alimentación debe realizarse con tensiones de 3 a 15 V y la conexión a tierra es importante.




