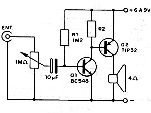
Este amplificador sirve para proporcionar potencia de aproximadamente 1 W, con alimentación de 9V. EI transistor Q2 debe ser montado en un disipador de calor, y R2 debe elegirse para que se obtenga una corriente mínima de reposo con el máximo rendimiento. Para casos comunes, R2 estará entre 22 ohm y 100 ohm. El rendimiento de este circuito es relativamente bajo.

Amplificador Simple



