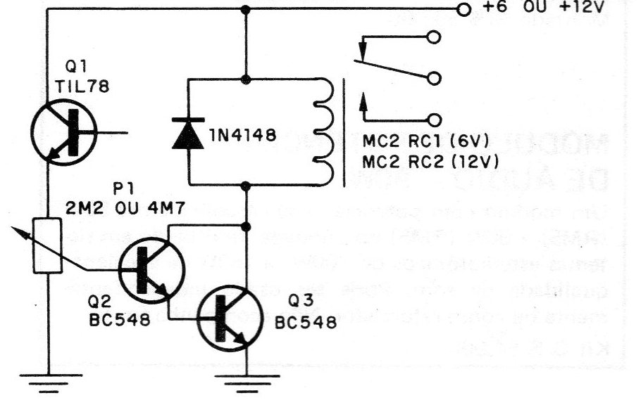
El circuito presentado en la figura es una versión de mayor sensibilidad del anterior (CIR2960S). Dos transistores forman un par Darlington, que permite operar con niveles de iluminación mucho más bajos. Este circuito puede ser usado en lugar de lo anterior, si los niveles de iluminación en que se desea el disparo son insuficientes para accionar esa versión. Los componentes son los mismos, apareciendo sólo un transistor más, que puede ser cualquiera de uso general, como el BC548. La alimentación también se puede hacer con tensiones de 6 o 12 V, según el relé usado.




