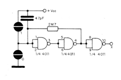
La configuración biestable de la figura se puede utilizar para encender y apagar un dispositivo, o bien producir un pulso de mando en las mismas condiciones. Se utilizan tres de las 4 puertas NAND de dos entradas y eventualmente la cuarta si se desea una inversión de acción. El capacitor y el resistor son importantes, pues mientras el primero determina la inmunidad a ruidos y la velocidad de acción, el segundo determina las características de disparo. Recuerde que para el disparo de cargas de corrientes un poco elevadas es necesario utilizar un paso amplificador. Una aplicación es como shield para microcontroladores.




