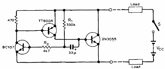
Este circuito monitorea la corriente en las cargas. Los transistores NPN y PNP admite como equivalentes el par BC547 y BD136. El 2N3055 debe estar dotado de un disipador de calor conforme a la carga y la corriente máxima es del orden de 5 A.

Este circuito monitorea la corriente en las cargas. Los transistores NPN y PNP admite como equivalentes el par BC547 y BD136. El 2N3055 debe estar dotado de un disipador de calor conforme a la carga y la corriente máxima es del orden de 5 A.
