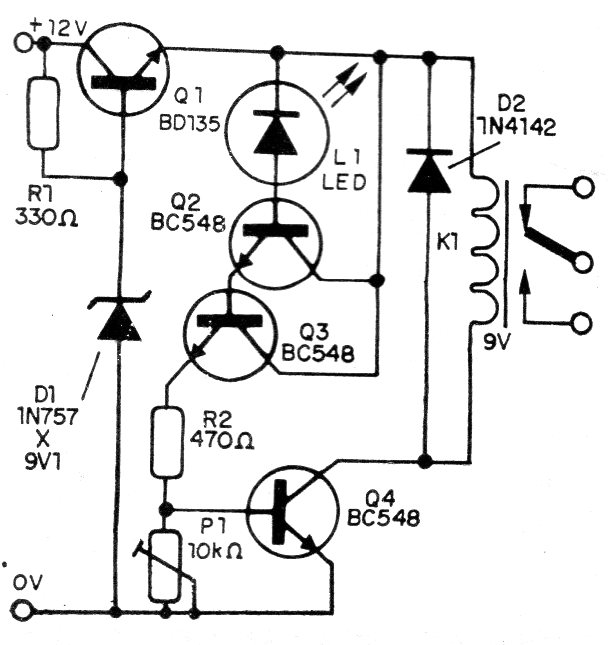
Este circuito fue encontrado en una documentación de 1992. Acciona un relé cuando la luz incide en un LED transparente utilizado como sensor. De hecho, los LEDs comunes operan como foto-diodos cuando están polarizados en sentido inverso. La luz para la que son más sensibles es la que corresponde a su color de emisión. El relé es del tipo sensible de 12 V y P1 hace el ajuste de sensibilidad.




