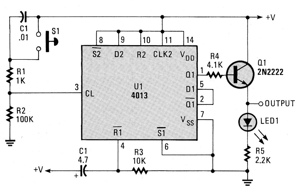
Toques alternados en el interruptor de presión o sensor, hacen que la salida alterne el nivel alto y bajo en este circuito. La salida puede excitar etapas de potencia o relés. La alimentación de 5 a 12 V depende de lo que se haya conectado en la salida. El circuito fue encontrado en una antigua documentación americana.




