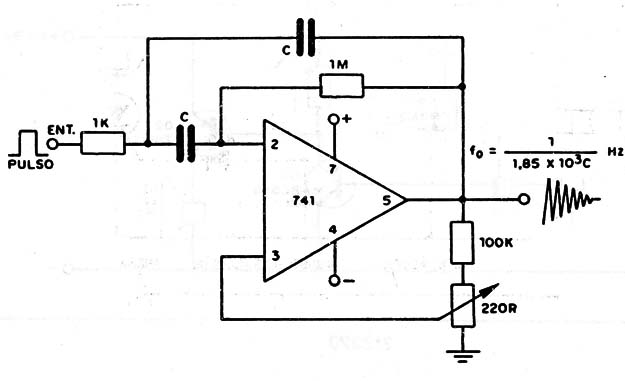
Este circuito puede usarse para producir oscilaciones amortiguadas a partir de um generador de ritmo o bateria, imitando también Campanas, gongs, etc. La fuente debe ser simétrica con tensiones de 9 a 15V. La salida debe ser aplicada a la entrada del amplificador.

Oscilador Amortiguado



