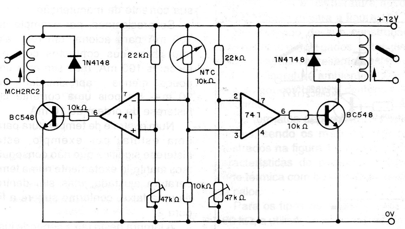
Este circuito controla dos relés desde un solo sensor de temperatura. El primer dispara cuando la temperatura supera un determinado valor y el segundo cuando cae por debajo de cierto valor. El relé es de 50 mA de corriente de disparo y los ajustes del punto de accionamiento se efectúan en los trimpots.




