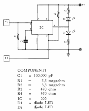
Este circuito, bastante tradicional fue encontrado en una Elettronica Práctica de 1977. La fuente no puede ser del tipo sin transformador, por motivos de seguridad y los indicadores son LEDs comunes. El circuito funciona con tensiones de 6 a 12 V, sin problemas.




