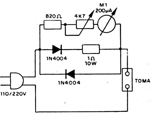
Se trata de un circuito muy sencillo para la verificación del consumo de energía de aparatos domésticos comunes. Los diodos usados deben tener una tensión inversa de pico de acuerdo con la red y corriente de acuerdo con la carga máxima medida. El circuito indicado con diodos 1N4004 sirve para cargas hasta 200 watt. Para cargas mayores deben usarse diodos de mayor capacidad de corriente.




