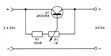
Las cargas de hasta 3 o 4 A se pueden controlar con este circuito. Se pueden utilizar transistores como el BD135 o TIP31 para el control de cargas de menor corriente. El transistor debe montarse en un buen radiador de calor. La tensión de entrada puede situarse entre 3 y 20 V. Para tensiones mayores se aumenta R1. P1 debe ser de hilo, en el caso del 2N3055.




