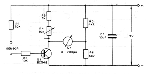
Este circuito acusa pequeñas variaciones de la resistencia de la piel de una persona que apoya los dedos en placas sensoras o segura electrodos de metal. El instrumento indicador es un microamperímetro de 200 uA de fondo de escala o un miliamperímetro de 1 mA. El circuito es alimentado por una batería de 9 V y su consumo es muy bajo.




