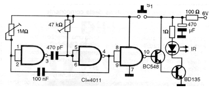
Este transmisor genera una radiación infrarroja modulada que puede utilizarse como base para un proyecto de control remoto. Los trimpots sirven para el ajuste de frecuencia de funcionamiento y anchura de los impulsos que deben estar en torno a los 10 us. Cualquier LED emisor de infrarrojos se puede utilizar en este circuito y la alimentación se puede hacer con las pilas comunes.




