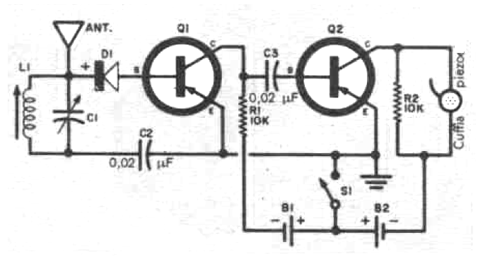
Este circuito utiliza originalmente transistores de germanio habiendo sido obtenido en una publicación de 1960. Sin embargo, el circuito puede ser elaborado con transistores de silicio y la alimentación hecha con dos conjuntos de 3 V (dos pilas). La antena depende de la intensidad de las señales y la bobina consiste en 100 espiras de hilo 28 en un bastón de ferrita. La variable puede obtenerse de una radio de onda media abandonada.




