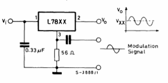
Con este circuito es posible obtener una tensión modulada en amplitud con corriente máxima de 1 A usando señales de audio, como muestra el gráfico junto al circuito. El L78xx es equivalente al 78xx común y el circuito fue encontrado en el manual de circuitos integrados lineales de la SGS de 1982. El circuito integrado debe ser montado en radiador de calor.




