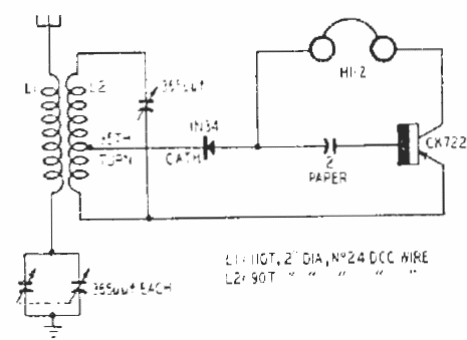
Este receptor utiliza la propia tensión inducida por la señal de la estación para alimentar el amplificador con 1 transistor. El transistor es el CK722, el primer transistor comercial del mundo, lanzado por Raytheon en la década de 50. El auricular debe ser de alta impedancia y las bobinas tienen las siguientes características: L1: 30 espiras de hilo 28, L2 60 + 40 espiras de hilo el hilo 28, las dos en el mismo bastón de ferrita.




