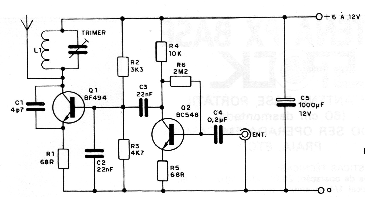
Este circuito se obtuvo en una documentación de 1981. Se trata de un transmisor de FM que puede servir para emitir el sonido de un micrófono, un tocadiscos, una grabadora, etc., funcionando como una pequeña estación de juguete de uso doméstico. El circuito como podemos observar, es bastante simple siendo formado por dos etapas: la primera consiste en un oscilador de RF cuya frecuencia es determinada por el circuito resonante L - Cv. La bobina consiste en 4 espiras de hilo 18 a 24 con un diámetro de 1 cm. El condensador ajustable permite encontrar una frecuencia de operación en la que no haya ninguna emisora. El transistor utilizado en este paso puede ser de cualquier tipo para RF como, por ejemplo, el BF494 o el PD1001. La segunda etapa consiste en el modulador, el cual utiliza un solo transistor NPN de silicio para uso general. Este transistor originalmente es del tipo BC548, pero equivalentes como el BC547, BC237 o BC238 pueden ser usados, sin problemas. El resistor de emisor de este paso, de 68R puede eventualmente ser eliminado en la alimentación de 6 V del circuito. La alimentación se puede hacer con tensiones entre 6 y 12 V y el alcance del circuito dependerá de ésta. La antena utilizada debe tener un máximo de 15 cm de longitud para que no se produzcan inestabilidades de funcionamiento. Los mejores resultados en la transmisión se obtienen con transductores de cristal o piezoeléctricos.




