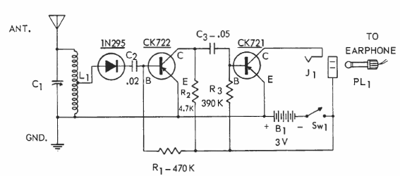
Encontramos esta radio AM en una publicación de Raytheon de 1957. Los transistores pueden ser tipos equivalentes modernos como los BC548 y el diodo puede ser el 1N34.La bobina tiene 30 + 70 espiras de hilo 28 en un bastón de ferrita la antena debe ser larga. El auricular debe ser magnético de alta impedancia.




