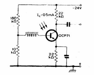
Encontramos este circuito en el manual de referencia de transistores de la Mullard de 1960. El foto-transistor puede ser equivalente moderno y los condensadores, así como el inductor dependen de la frecuencia de la señal modulada recibida.

Encontramos este circuito en el manual de referencia de transistores de la Mullard de 1960. El foto-transistor puede ser equivalente moderno y los condensadores, así como el inductor dependen de la frecuencia de la señal modulada recibida.
