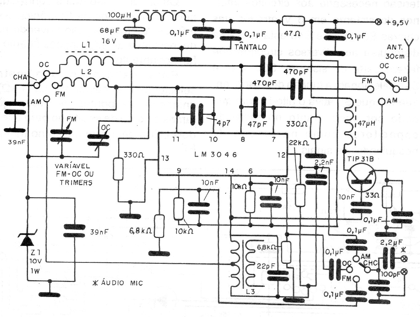
Encontramos este circuito de transmisor para varias bandas de frecuencias en una documentación de 1992. El rango de frecuencias de pende de la bobina. Para AM (L3) utilice un transformador de radio transistorizado negro. Para OC la bobina L2 tiene 15 espiras de hilo 28 en bastón de ferrita de 1 cm de diámetro. Para FM la bobina tiene 4 espiras de hilo 18 en forma de 1 cm sin núcleo. El circuito integrado utilizado no es común actualmente.




