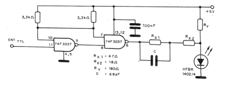
Este circuito TTL de una documentación de 1992 soporta velocidades hasta 170 Mbaud debiendo ser alimentado por una tensión de 5 V. El LED emisor debe ser de tipo apropiado para la fibra utilizada. En el diagrama, las demás características del circuito.




