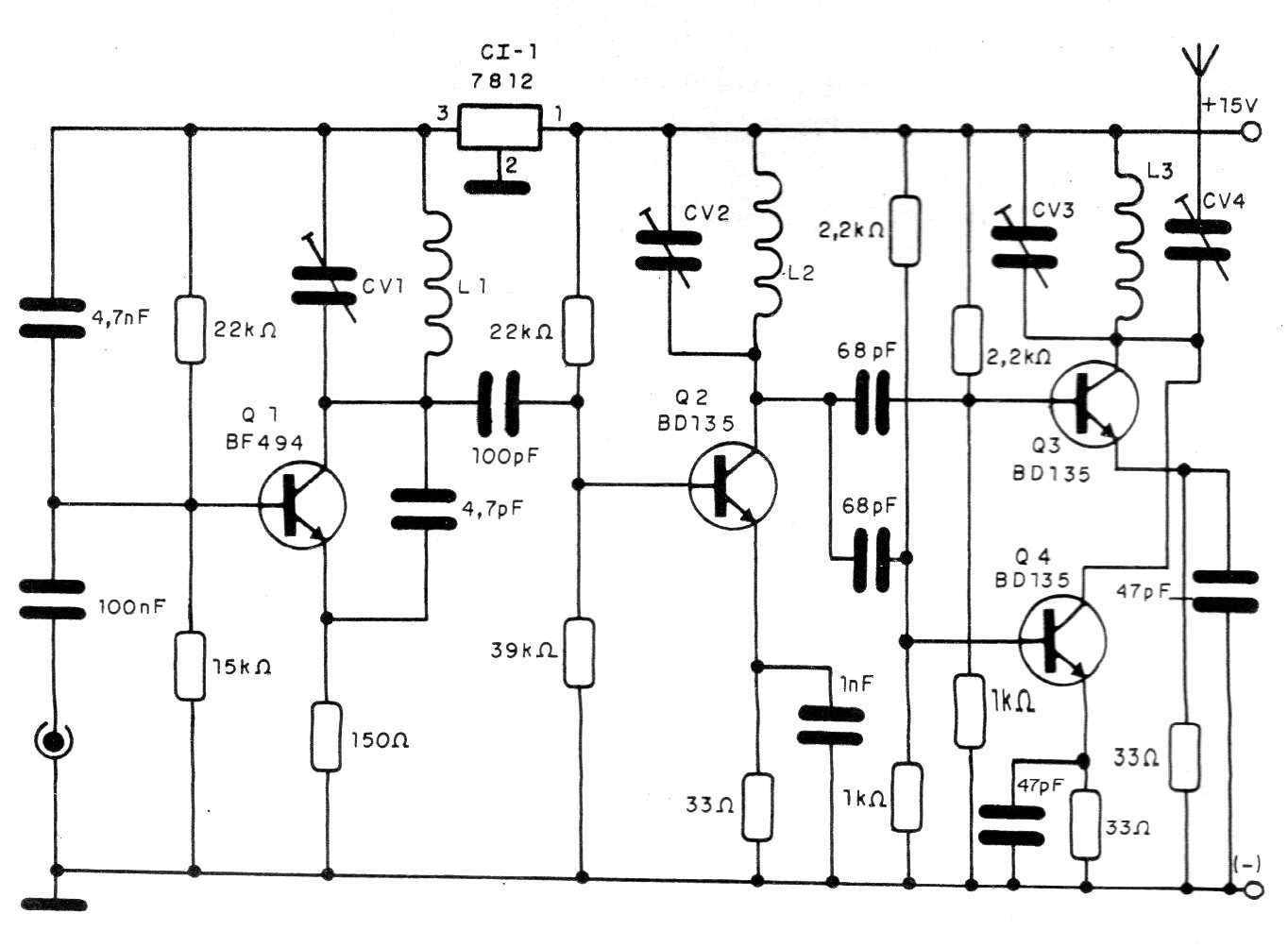
Este potente transmisor de FM fue encontrado en una documentación de 1992. El circuito requiere una fuente de 12 V con excelente filtrado. L1, L2 y L3 tienen 3, 4 y 5 espiras de hilo 18 en forma de 1 cm de diámetro. Los trimmers son comunes de 3-30 pF o más grandes. Los capacitores deben ser cerámicos de excelente calidad.




