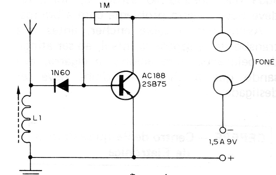
Encontramos este receptor elemental en una publicación de 1983, pero puede ser montado con facilidad aún hoy, pues cualquier transistor sirve. La bobina consiste en 80 espiras de hilo 28 en un tubo de cartón o PVC dentro del cual el núcleo de ferrita puede deslizarse. Deslizando el núcleo se hace la sintonía. El auricular debe ser de alta impedancia. Si se utiliza un auricular de cristal, conecte un resistor de 10 k en paralelo. La antena debe ser larga.




