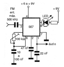
Las señales moduladas en frecuencia de hasta 500 kHz pueden ser decodificadas con el PLL que mostramos. La señal demodulada se obtiene en el pin 1 y cuando el circuito lo reconoce por el ajuste del trimpot de 100 k ohmios el LED se enciende. Este circuito puede ser usado en un enlace de audio usando la red de energía o como base para un proyecto de intercomunicador vía red de energía.




