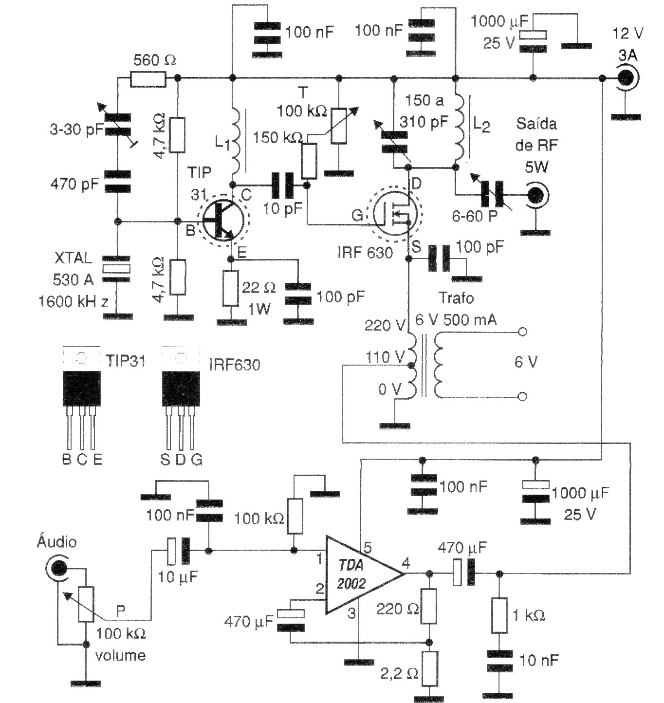
Este transmisor tiene un alcance razonable a pesar de operar en el rango de 530 a 1600 kHz. El circuito es de una documentación de 2006 y la bobina L1 tiene 100 espiras de hilo 28 en un bastón de ferrita de 1 cm de diámetro. L2 tiene 80 espiras del mismo hilo en otro núcleo de iguales dimensiones. Los transistores deben estar dotados de disipadores de calor. La antena debe ser un largo hilo de hasta 50 metros. El circuito es de una documentación de 2006.




