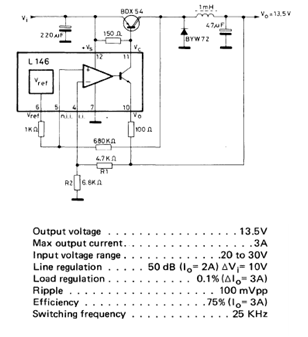
Este circuito de alto rendimiento se encontró en el manual de circuitos integrados lineales de la SGS de 1982. El transistor de potencia admite el equivalente y la corriente máxima de salida es de 3 A. El circuito se puede utilizar como regulador conmutado en una fuente fija de 12 V x 3 bis.




