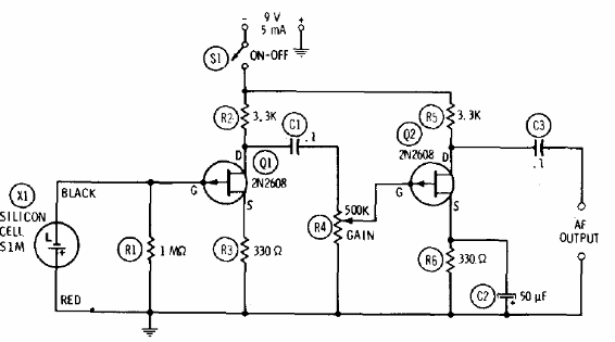
Este sensible circuito puede ser elaborado con FET como los BF245 y MPF102. El sensor es una foto-célula de silicio. La alimentación se puede realizar por batería. El circuito es de una documentación técnica de 1977. La salida se puede utilizar para excitar amplificadores de audio.




