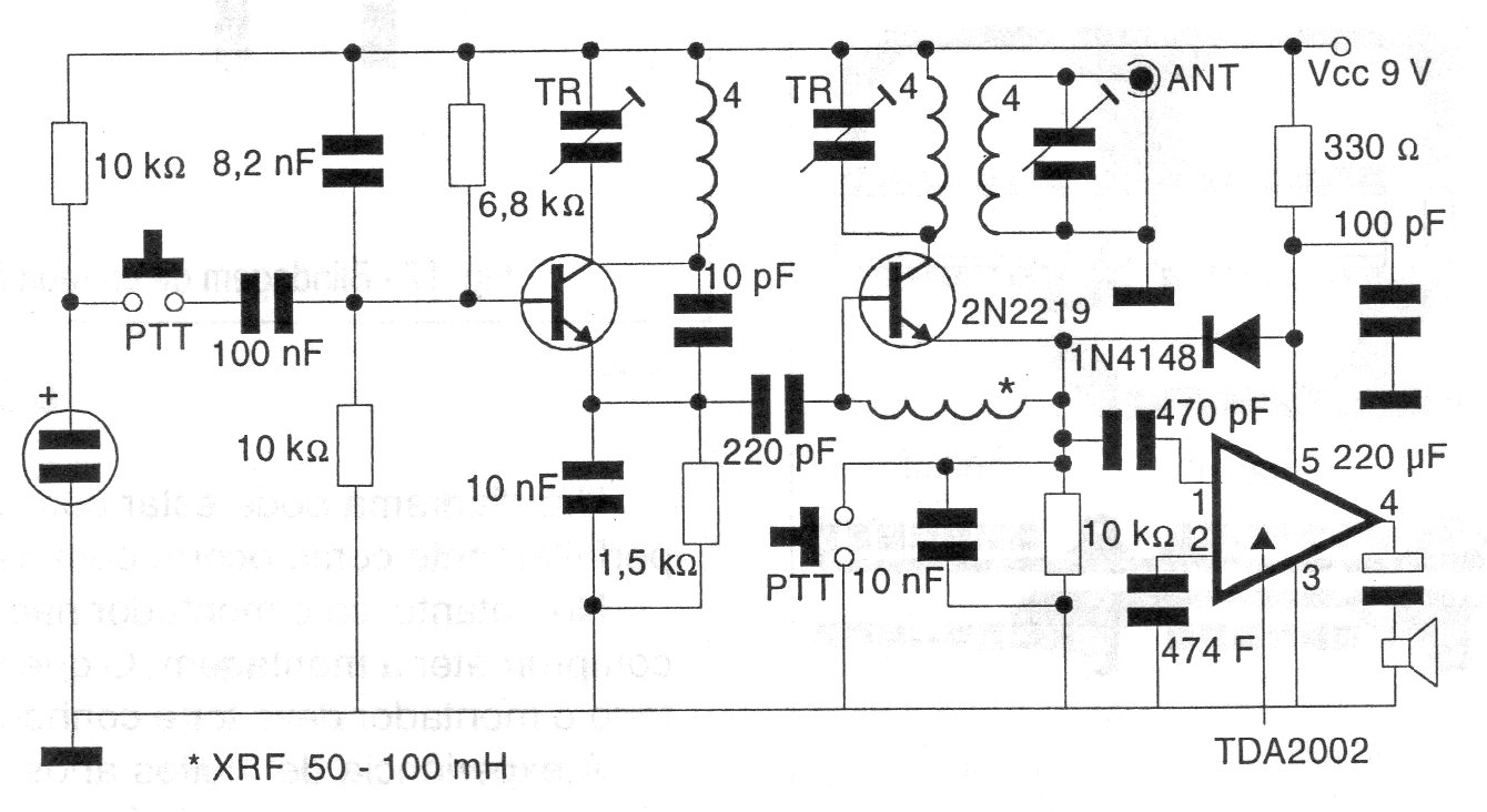
Este circuito es de una documentación de 1998. Las bobinas consisten en el número de espiras indicadas en cada una con hilo 24 o 26 en forma de 1 cm. Los capacitores deben ser cerámicos y el choque consiste en 50 vueltas de hilo fino (32) en un resistor de 100 k x ½ W. El circuito es alimentado por pilas medias ya que el TDA2002 tiene consumo algo elevado. La antena es del tipo telescópico.




