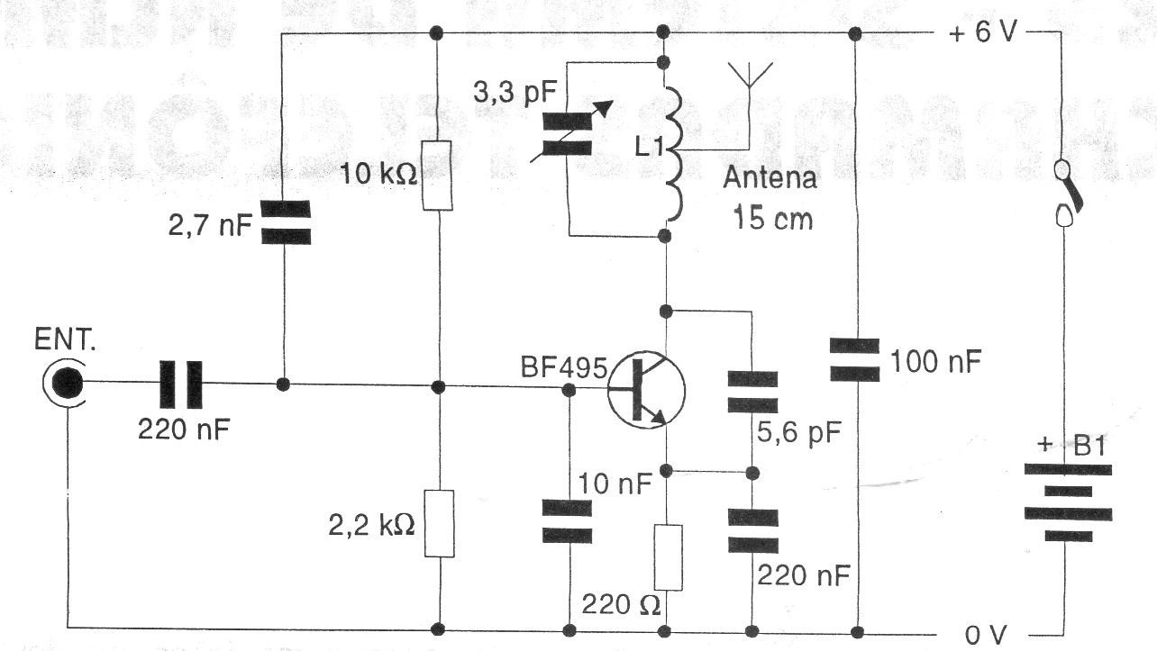
Este circuito tiene una configuración muy explorada en nuestros proyectos. El alcance puede superar los 200 metros y la alimentación viene de una batería de 9 V. En la entrada se puede conectar un micrófono piezoeléctrico. La bobina tiene 4 espiras de hilo 24 o 26 en forma sin núcleo de 1 cm de diámetro.




