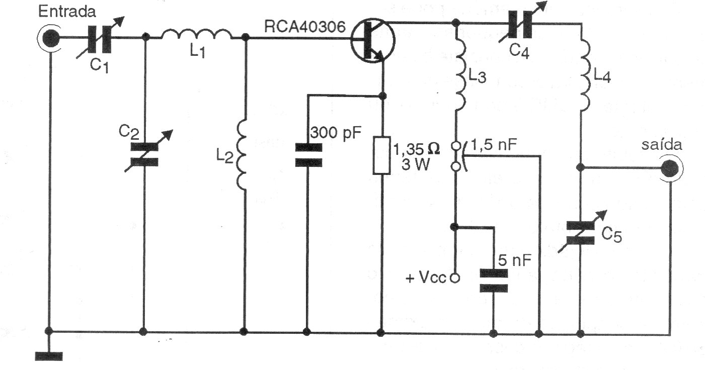
Encontramos este circuito en una documentación de 1998. L1 tiene 3 espiras de hilo 16 en forma de 8 mm sin núcleo. L2 es un choque de 750 uH y L3 un choque de 2,4 uH. L4 tiene 5 espiras de hilo 16 en forma de 1 cm sin núcleo. La alimentación del circuito debe realizarse con una fuente de 28 V con al menos 5 A. Los trimmers son de 6-60 pF. El transistor usado es poco común y debe estar dotado de un disipador de calor.




