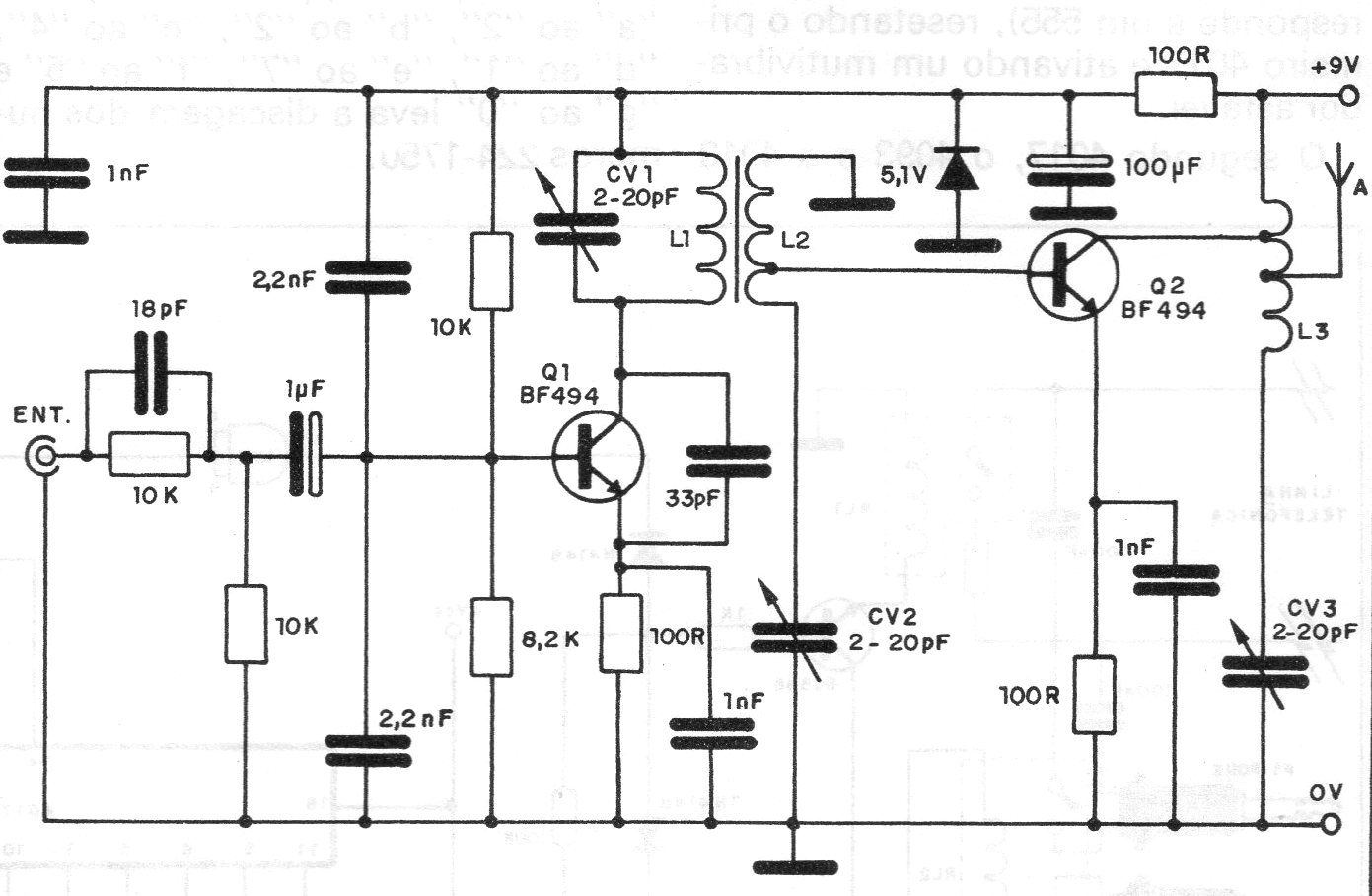
Este circuito es de una publicación de 1987. Se caracteriza por la presencia de una etapa de RF que agrega estabilidad de frecuencia, incluso cuando movemos la antena. El circuito es alimentado por una batería y la bobina L3 consta de 4 espiras de hilo 24 ó 26 en forma de 0,8 cm con tomas en la segunda y tercera espira. L1 tiene 4 espiras de hilo 26 o 28 en forma de 0,8 cm sin núcleo y L2 está formada por 3 espiras sobre L1 .. La antena debe tener de 15 a 40 cm de longitud.




