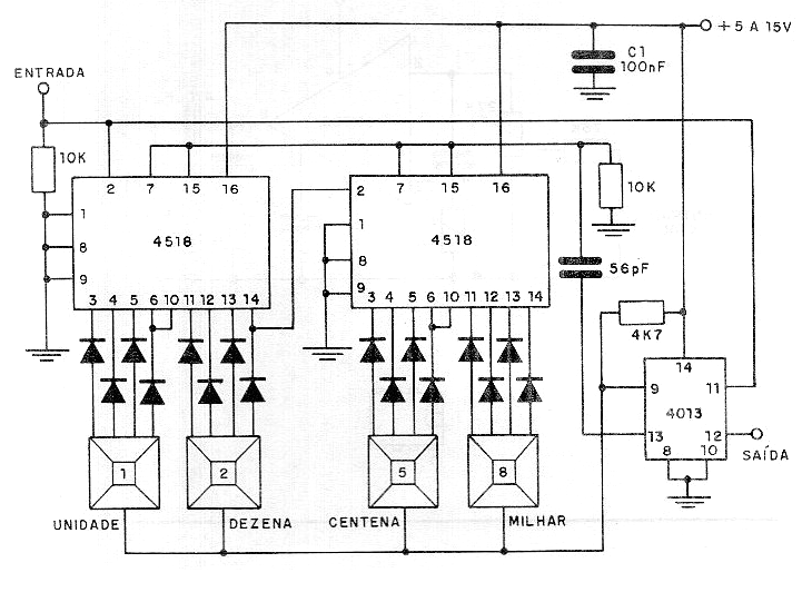
La frecuencia de los pulsos aplicados a la entrada de este circuito CMOS se dividirá por el número programado por las llaves digitales de 1 a 9999. El circuito tiene una velocidad máxima de división de 6 MHz con una alimentación de 10 V. Se pueden agregar más contadores en cascada, una división por valores mayores. La alimentación se puede hacer con tensiones de 5 a 15 V y el consumo es muy bajo.




