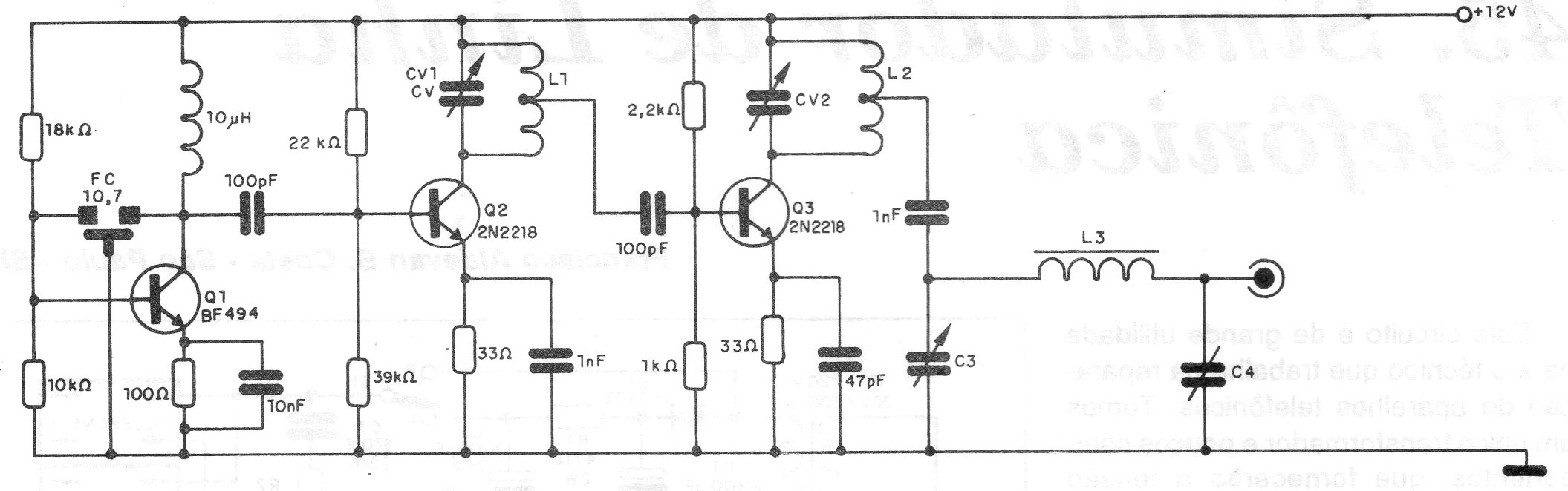
Este circuito de pequeño transmisor de onda corta en una documentación de 1994. La frecuencia del circuito está determinada por un filtro cerámico de 10,7 MHz. La bobina L1 consta de 15 hilos 28 en un tubo plástico de 0,5 cm de diámetro sin núcleo y L2 es igual a L1. L3 tiene 15 espiras de hilo 28 en núcleo de 0,8 cm de diámetro con núcleo de ferrita.




