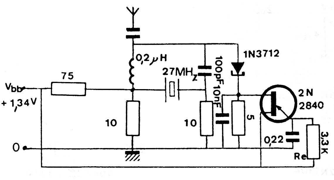
Este pequeño transmisor es alimentado por una sola pila que tiene un alcance de algunos metros. El circuito emite en este caso un tono de audio determinado por el transistor. La frecuencia llega a algunas decenas de megahertz según el cristal.
Hilos, cables, electrodomésticos, lámparas incandescentes, fusibles, llaves y transformadores con...
El único material especial requerido para esta experiencia es un imán que puede ser aprovechado de viejos...
Se presenta una prueba simple de transistores NPN y PNP que, además de decir si el componente está bien,...