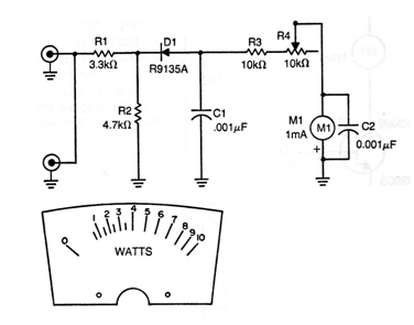
Encontramos este circuito en una antigua publicación estadounidense. El circuito está destinado a la medida de la potencia de salida de transmisores a la banda de 11 metros (27 MHz), pero puede operar en una amplia gama de frecuencias. El instrumento indicador puede ser sustituido por una escala del multímetro correspondiente con la utilización de la escala de conversión dada junto al diagrama. El diodo puede ser el 1N34 o cualquier equivalente de germanio.




