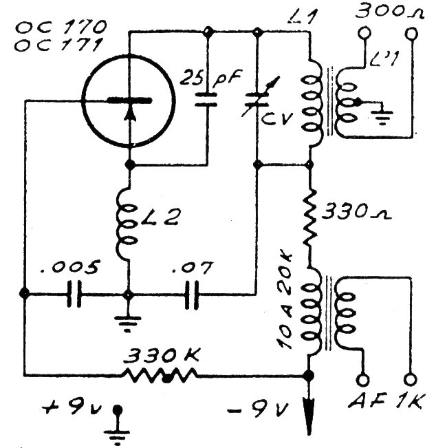
Encontramos este circuito en una antigua publicación argentina. El transistor puede ser sustituido por un equivalente más moderno como el BF494 y consecuente inversión de la polaridad de la alimentación. L1 consta de 4 espiras de hilo 28 en forma de 1 cm y L2 de 3 + 3 espiras sobre L1. El transformador es del tipo de salida para transistores y los condensadores deben ser cerámicos. El capacitor de 25 pF debe ser sustituido por los equivalentes de valores actuales de 22 pF o incluso 27 pF. La salida se debe aplicar a un pequeño amplificador de audio. L1 es de 100 mH.




