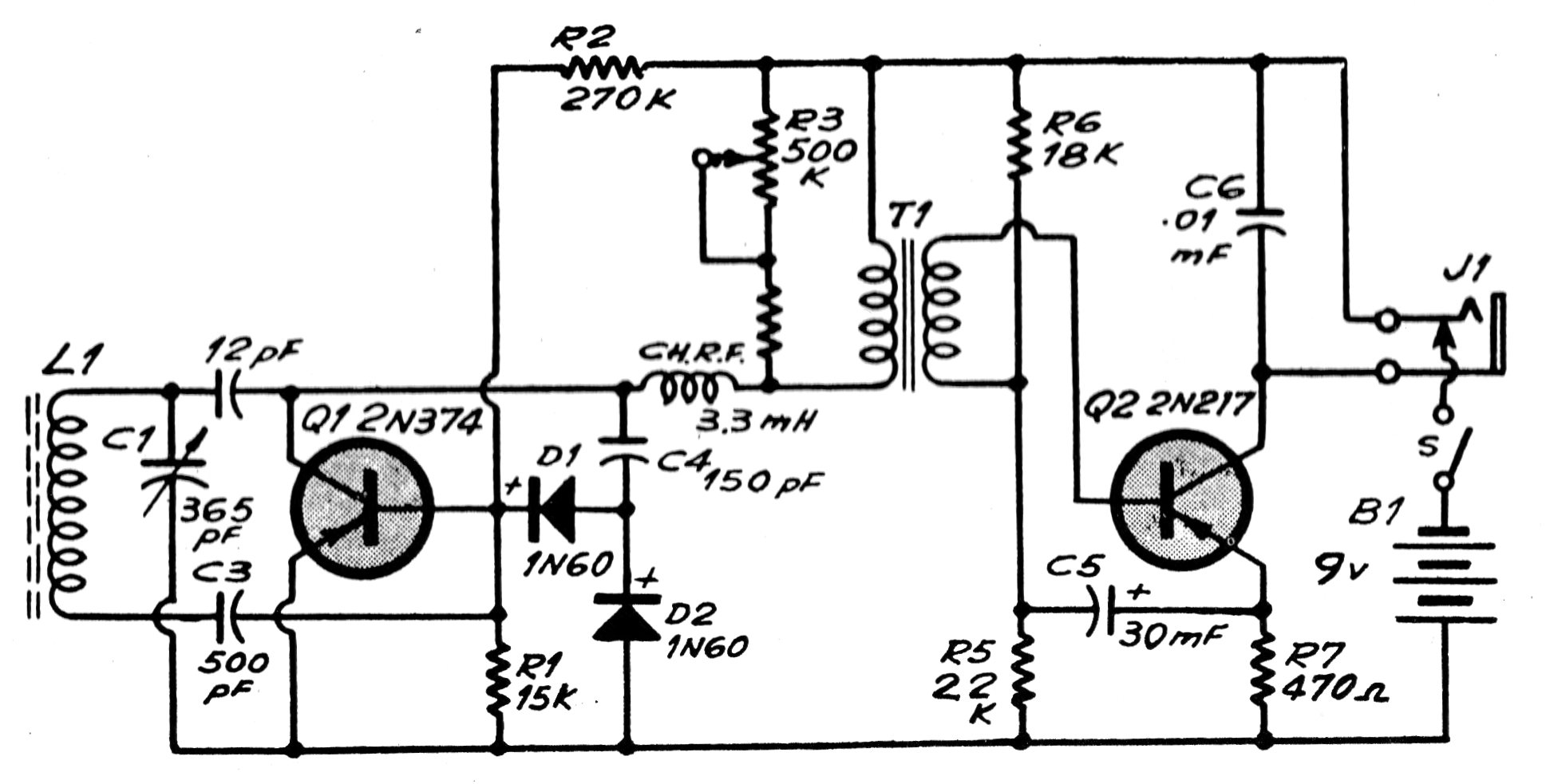
Esta radio experimental fue obtenida en una antigua publicación argentina. En él se utilizan transistores de germanio, pero puede ser experimentado con transistores de silicio, alterándose R4 y R5. El transformador T1 se obtiene de una radio transistorizada fuera de uso consistente en el controlador. La salida es de al menos 1k de impedancia. Para auriculares de baja impedancia o altavoz, utilice un transformador de salida. Para el auricular piezoeléctrico conecte en paralelo con C6 un resistor de 4k7. L1 consta de 100 espiras de hilo 28 en un bastón de ferrita. Los capacitores de 500 pF y 30 uF pueden ser de 470 pF y 47 uF.




