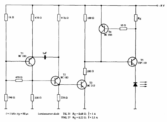
El circuito mostrado es de un manual de optoelectrónica deTexas Instruments. RE depende del pico de tensión soportado por el LED. Observe la polaridad de la alimentación. Los transistores de baja potencia pueden ser los BC548 para los NPN y BC558 para el PNP.




