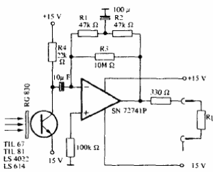
Este circuito, que se puede utilizar en un enlace óptico es sugerido por el manual de optoelectrónica de Texas Instruments. El filtro utilizado frente al foto-transistor es del tipo infrarrojo. La alimentación debe ser simétrica.

Este circuito, que se puede utilizar en un enlace óptico es sugerido por el manual de optoelectrónica de Texas Instruments. El filtro utilizado frente al foto-transistor es del tipo infrarrojo. La alimentación debe ser simétrica.
