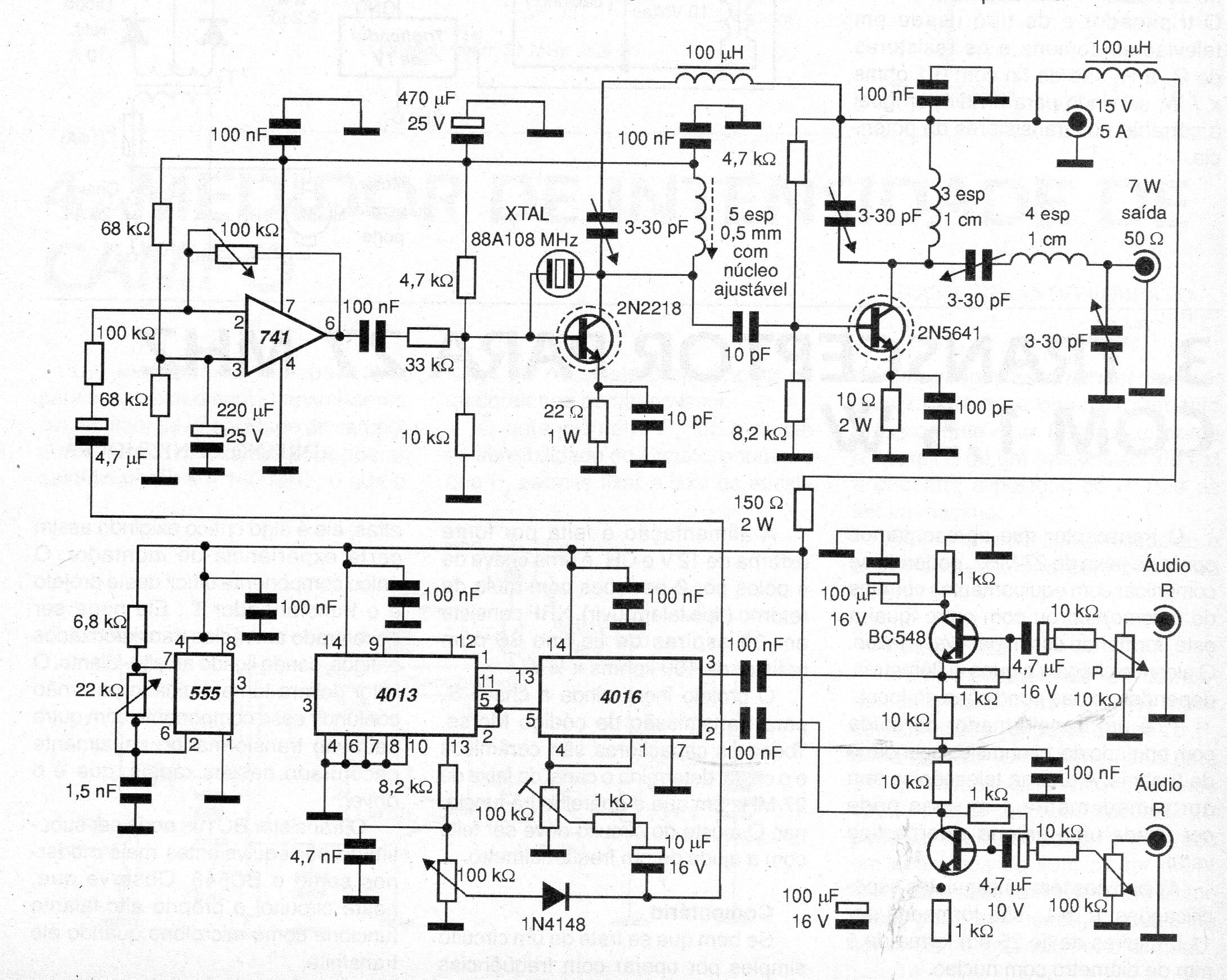
Este circuito fue encontrado en una publicación de 2004. Si bien existen restricciones legales para la operación de este tipo de aparato, puede ser utilizado como estación experimental bajo ciertas condiciones. Las bobinas se enrollan con cable 24 o 26 y la alimentación de 15 V x 5 A debe venir de fuente con excelente filtro o batería de coche.




