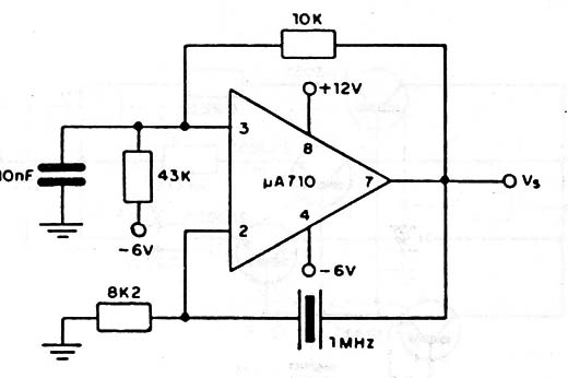
Este oscilador tiene una serial de salida con amplitud típica alrededor de 1,35 volt y puede operar en otras frecuencias, de acuerdo con el cristal elegido. La fuente debe ser de dos tensiones (-6 y +12V) y los valores de los resistores no son críticos.

Oscilador Controlado a Cristal



