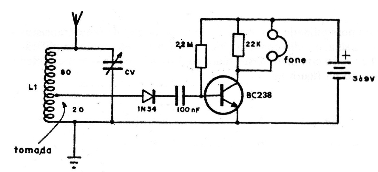
La retirada de la señal de una toma de la bobina mejora la selectividad del circuito en relación al anterior. El circuito puede emplear cualquier transistor de uso general NPN y el auricular debe ser de cristal o piezoeléctrico. La toma se realiza como se indica en el diagrama.




