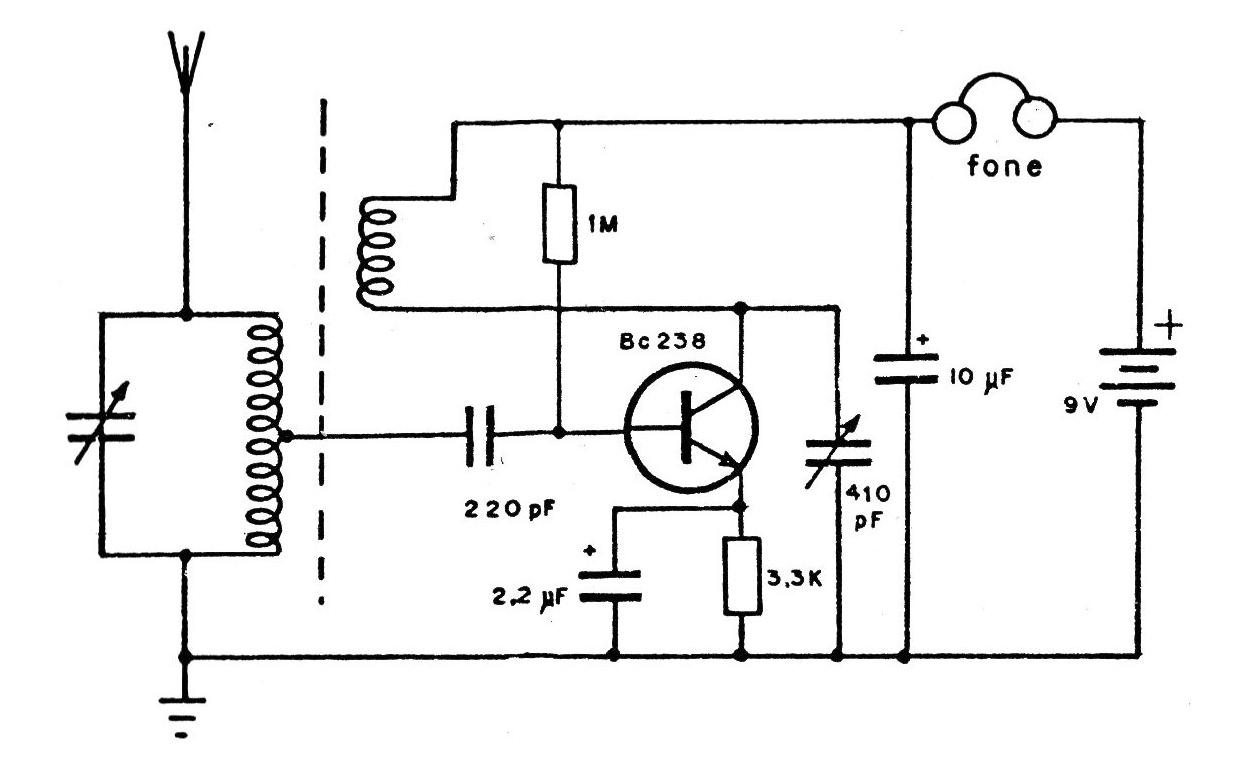
Para la banda de ondas medias la bobina de antena tiene 30 + 50 espiras de hilo 28 en un bastón de ferrita y la bobina de realimentación de 5 a 10 espiras del mismo hilo sobre la bobina de antena. El auricular es de alta impedancia magnética y cualquier transistor de uso general puede ser usado.




