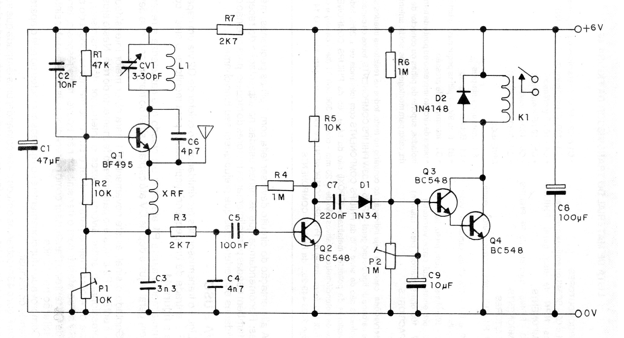
Este es el circuito receptor para el transmisor anterior (CIR13469). El alcance del sistema puede llegar a 100 metros con condiciones favorables. L1 tiene de 5 a 6 espiras de hilo 22 o 24 en forma de 1 cm sin núcleo. La antena debe tener de 50 cm a 1 metro. El relé es del tipo sensible y los condensadores alrededor de BF495 deben ser cerámicos.




