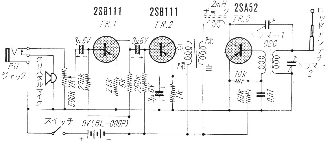
Este circuito, con algunos metros de alcance, puede funcionar como un micrófono inalámbrico o transmisor para medios con reproducción en una radio. El circuito es de una antigua publicación japonesa, usando transistores comunes en la época (1968). La alimentación se realiza con 9 V y no se dan detalles de las bobinas.




